Skip to main content
My Intranet
Press
Media Centre
Publications
Quick entry
General information
Contact
Our research at a glance
Institutes, departments
Mission
Facts and figures
Sitemap (overview of pages)
Research infrastructures
X-ray source BESSY II
Accelerator for Proton Therapy
Metrology Light Source - PTB
more infrastructures
Themes labs
Correlative Microscopy and Spectroscopy
CoreLab Quantum Materials
EMIL - Energy Materials In-Situ Laboratory Berlin
JointLabs - Networking in science
PVcomB - Competence Centre Photovoltaics Berlin
X-Ray Corelab
Strategic projects
BESSY III
CatLab – Catalysis Laboratory
Cooperations
Visitors
Locations
Visitor service
HZB User Office
Patients
School lab
Events
For service providers & companies
Access
Tender and Procurement
Menu
Close Menu
Research
OVERVIEW RESEARCH
Our research at a glance
Photon Science
Protein crystallography at BESSY II
Photovoltaics
Green Fuels & Chemicals
Batteries
Quantum and Functional Materials
Accelerator Research
Energy Systems
User Facilities
BESSY II Light Source
Fields of research
Highlights BESSY II
How does BESSY II work?
Facts and figures
BESSY II+ Upgrade
The route to BESSY III
Corelabs
Energy Materials In-Situ Laboratory Berlin
X-ray CoreLab
Correlative Microscopy and Spectroscopy
Quantum Materials
HySPRINT Photovoltaics Lab
Competence Centre Photovoltaics Berlin
Proton accelerator
Irradiations for Radiation Hardness Tests
Proton irradiation
Gamma irradiation
Infrastructure Partners
PTB – Physikalisch-Technische Bundesanstalt
BAM – Bundesanstalt für Materialforschung und -prüfung
ErUm-Pro funded Instruments – Erforschung der Materie an Großgeräten
Radiation Protection
Radiation Protection Wannsee
Radiation Protection Adlershof
Institutes, departments
Solar Energy
Solar Energy Seminar
PVcomB
HySPRINT Photovoltaics Lab
Interface Design
Optics for Solar Energy
Structure and Dynamics of Energy Materials
Spins in Energy Conversion and Quantum Information Science
Active Materials and Interfaces for Stable Perovskite Solar Cells
Perovskite Tandem Solar Cells
Solution-Processes for Hybrid Materials and Devices
Robotized Optoelectronic Material and Photovoltaic Engineering
Perovskite-based Multi-Junction Solar Cells
Generative Manufacturing Processes
Hybride Material Systems
Informationen des Bereichs (intern)
(ger)
Chemical Energy
Solar Fuels
Nanospectroscopy
Electrochemical Energy Storage
Microstructure and residual stress analysis
Materials Chemistry for Catalysis
Nanoscale Operando CO2 Photo-Electrocatalysis
Dynamic Electrocatalytic Interfaces
Electrochemical Conversion
Electrocatalysis: Synthesis to Devices
Oxygen Evolution Mechanism Engineering
Nanoscale Solid-Liquid Interfaces
Catalysis for Energy
Operando Battery Analysis
Quantum and Functional Materials
Functional Oxides for Energy Efficient IT
Quantum Phenomena in Novel Materials
Dynamics and Transport in Quantum Materials
Spin and Topology in Quantum Materials
Theory of Novel Quantum Materials
MaXRay: Magnetism and Coherent X-Ray Imaging
Theory of Electron Dynamics and Spectroscopy
Informationen des Bereichs (intern)
(ger)
Photon Science
Methods and Instrumentation for Synchrotron Radiation Research
Electronic Structure Dynamics
Atomic-Scale Dynamics in Light-Energy Conversion
Highly Sensitive X-ray Spectroscopy
AI and Biomolecular Structures
X-ray microscopy
Young Investigator Group Magnons: X-rays and Models
Macromolecular Crystallography
Combined X-ray methods at BLiX and BESSY II - SyncLab
Ultrafast Dynamics
Photon Science division (internal)
Accelerators
Accelerator Operation and Technology
Science and Technology of Accelerating Systems
High Brightness Beams
Protons for Therapy
Accelerator division (internal)
Education
Our Accelerator Research Overview
Scientific Instrumentation and Support
Optics and Beamlines
Precision Gratings
Undulators
Sample Environment
Manufacturing and Technical Design
Electronics
Technical User Support
Collaborations
Research Collaborations
Joint Research Groups
Joint Laboratories
Clusters of Excellence
Teaching/ Talent Promotion
Joint Appointments
Young Investigator Groups
Research Schools
Partners
Helmholtz Platform
Collaborative Research Groups
HZB Publications
Programme-oriented funding
Industry
OVERVIEW INDUSTRY
Contact
First steps to information and cooperation
Learn more about cooperation
Our offer per industrial sector
Materials
Energy, environment and mobility
Microsystems and nanotechnology
Chemistry
Fine mechanicsand optics
Biomedicine
IT Hard- and software
Aerospace
Service - from laboratory use to research cooperation
Our expertise and techniques
Radiography
Tomography
Transmission electron microscopy
Residual stress diffraction
Reflectometry
Small angle diffraction
Cathode material characterisation using EXAFS & XANES
Thermoelectric materials RIXS
Optimization of material surfaces using XPS
Irradiation
Magnetization, conductivity, polarization
Processing, production, preparation
Supralab
Machine Learing Algorithms for PV devices
(en)
Method, computer program, and system for determining transport properties of majority and minority charge carriers
(en)
Temperature controlled spin coating process
Liquid Phase Crystallization of Silicon on Insulators
(en)
Novel Room Temperature Surface Treatment for Metal Oxides & TCOs
Outdoor test & monitoring platform for laboratory and industry‐scale solar modules
Industrial examples
CoreLabs - Central laboratories.
Success stories
Technology Transfer Price
Submitted projects 2021
Submitted projects 2019
Industry advisory board
Overview News
Events
Quality Assurance in Accelerator Facilities
Careers
OVERVIEW CAREERS
Apply now
Job opportunities
Tips for Applying
FAQ
Career paths
Doctoral researchers at HZB
Postdocs at HZB
Postdoc Office
Senior Scientists
Young Investigator Groups
IT, Engineering, Administration
Apprenticeship
Kaufmann/-frau für Büromanagement
(ger)
Feinwerkmechaniker/-in
(ger)
Gastgewerbe
(ger)
Fachinformatiker/-in
(ger)
Koch/Köchin
(ger)
Physiklaborant/-in
(ger)
Elektroniker/-in für Betriebstechnik
(ger)
Mechatroniker/-in
(ger)
Erfolgsgeschichten
(ger)
School and tertiary studies
School Lab
Sandwich courses
Duales Studium Informatik
(ger)
Duales Studium Konstruktion und Fertigung (Maschinenbau)
(ger)
Duales Studium Labor- und Verfahrenstechnik, Studienrichtung Strahlentechnik
(ger)
Summer & Winter Schools
International Summer Student Programme
Photon School
Quantsol Summer School
(ger)
Working at HZB
Personnel Development
Work and Life
Welcome
Onboarding (Password)
Introducing HZB
My first day
New in Berlin
About us
OVERVIEW ABOUT US
What we stand for
Mission and Guiding Principles
Values
Sustainability
Diversity
Facts and Figures
Organisation
Board of Directors
Directors Office
Scientific Advisory Council
Supervisory Board
BER II: Dialogue on the path to dismantling
Landessammelstelle Berlin (ZRA)
(ger)
HZB School Lab
Friends of Helmholtz-Zentrum Berlin e.V.
Research Prizes
Membership
Library
Publications
Literature
Databases
Documentation
Introducing the library
Special topics
Organisation Chart
IT services
Remote Access for Experiments (REX)
HIFIS
CA Lab
Equal Opportunities Officer
Ausschreibungen / Beschaffungen
(ger)
Press and Newsroom
Communications department
Press
Press Distributions List for Journalists
HZB Newsroom
RSS news feed
Newsletter
Supplement to the data protection declaration
Archiv Newsletter
(ger)
Media Centre
HZB Publication Data Base
HZB Logo
Magazine Lichtblick
Brochures & Reports
Video
Podcasts
Events and Visitor Service
Public Events
Long Night of the Sciences
Berlin Science Week
Physik zum Frühstrück
Girls Day
Schülerlabor
(ger)
Visitors Service
Virtual tours
Virtual tours Adlershof
Virtual tours Wannsee
360 degree panoramas
Event Calendar
Research Awards
Technology Transfer Prize
Ernst Eckhard Koch Prize
Innovation Award on Synchrotron Radiation
Art at HZB
A dynamic seating area for brainstorming
Sound Art by Gerriet K. Sharma
MyBeamline: Kevin Fuchs photographs about Bessy II
Lise Meitner Memorial
Graffiti for the auditorium
Ursa Schöpper
Stolpersteine vor BESSY
(ger)
History of HZB
Namensgeber Hermann Helmholtz
Geschichte von BESSY
(ger)
Zeitzeugen Vorgängereinrichtung BESSY II
(ger)
History of HMI
Namensgeber Otto Hahn
(ger)
Namensgeberin Lise Meitner
(ger)
Locations and Directions
Directions for cyclists
Access to HZB
User Access
OVERVIEW USER ACCESS
GATE
GATE
GATE-Admin (internal)
Experimental Infrastructure at HZB
Instruments
Energy Materials Facilities
Mapping old and new names
Instrument search
Search by methods
Methods
Search by scientific field
Scientific categories
Supporting infrastructure
APPLY for Beamtime
Proposal Submission
Guide Beamtime Application
Types of Beamtimes and Proposals
Review Process
Instruments in Call
PREPARE your Beamtime
Access and Support
Remote Access
Support programmes
Radiation and Safety
DURING your Beamtime
On-Site Duties
Technical User Support
Chemistry laboratory
User Lab Cluster
BESSY II User Coffee
AFTER your Beamtime
Reimbursement
Reports and Feedback
Publishing
Events
BESSY@HZB User Meeting
Vendor Exhibition
Previous User Meetings
Workshops
Joint BAM-HZB Symposium
Previous Workshops
Contact Information
HZB User Office
HZB Beamtime Coordination
HZB User Committee
User Committee Internal
Quality Management
Lise-Meitner-Campus Berlin-Wannsee
Text search
People
Search term
search
HZB Home
›
About us
Research
Industry
Careers
User Access
›
Organisation
What we stand for
Ausschreibungen / Beschaffungen
(ger)
Press and Newsroom
Events and Visitor Service
Research Awards
Art at HZB
History of HZB
Locations and Directions
›
IT services
Board of Directors
Directors Office
Scientific Advisory Council
Supervisory Board
BER II: Dialogue on the path to dismantling
Landessammelstelle Berlin (ZRA)
(ger)
HZB School Lab
Friends of Helmholtz-Zentrum Berlin e.V.
Library
Organisation Chart
Equal Opportunities Officer
›
CA Lab
Remote Access for Experiments (REX)
HIFIS
›
Examples of CA Lab
Where am I?
CA Lab
VIs of CA Lab
Environment of CA Lab
Performance of CA Lab
Examples of CA Lab
Notes and FAQ
CA Tools
Definitions, copyrights and licenses
Downloads
Changelog
Öffnet in neuem Fenster
Opens in a new window
Öffnet externe Seite
Opens an external site
Öffnet externe Seite in neuem Fenster
Opens an external site in a new window
Examples of CA Lab
Example of reading one value
Example of reading many values
Example how to monitor a value
Example of writing one value
Example of writing many values
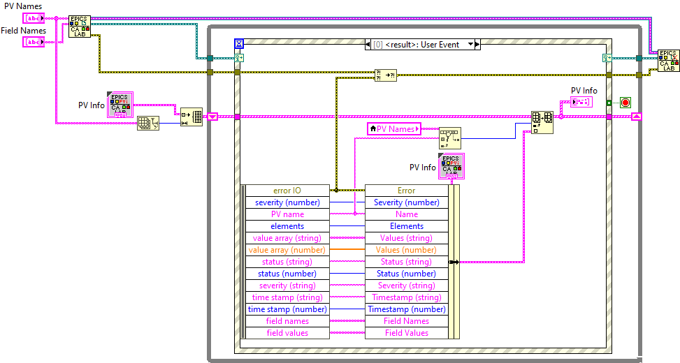
Example of User Event
Example how to create new EPICS variables and run them in a Soft IOC
Advanced example with all functions
Example for preinitialized monitoring of EPICS PVs
Example of reading one value
Example of reading many values
Example how to monitor a value
Example of writing one value
Example of writing many values
Example of User Event
Example how to create new EPICS variables and run them in a Soft IOC
Advanced example with all functions
80.9 KB/png
19.0 KB/png
45.4 KB/png
29.4 KB/png
25.0 KB/png
38.6 KB/png
80.2 KB/png
Example for preinitialized monitoring of EPICS PVs