Öffnet in neuem Fenster Opens in a new window Öffnet externe Seite Opens an external site Öffnet externe Seite in neuem Fenster Opens an external site in a new window

EMIL

SISSY off-Synchrotron Analysis and UHV Backbone

The off-synchrotron analysis chamber is equipped with a lab-based x-ray and  UV sources to allow for (pre-)characterization of the sample under consideration with UV and x-ray photoemission spectroscopy and constant-final state yield spectroscopy.

In addition to the analytic capabilities, a wide control over the sample environment is available, including controlled continuous temperature variation from -180°C to 1500°C and the application of electronic biases to samples during measurement. The available preparation chamber(s) house evaporators for organic and metallic thin film deposition that can be used, for example, to study the formation of electrical contact layers.

enlarged view

Figure 1: Rendering of the UHV backbone of the SISSY lab.

UHV backbone and transfer system

 A series of UHV radial distribution chambers forms the backbone of the interconnected systems within the SISSY lab; they are shown in Figure 1 and are commonly referred to by the color of the cap. The majority of the system was designed, fabricated, and delivered by Prevac based on their in-house technology. Sample transfer between most points on the system is motorized and automated, with some manual aspects in certain cases.

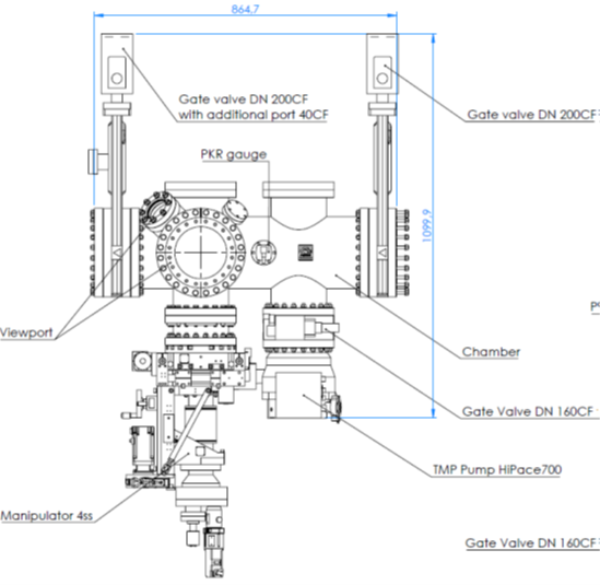
Samples mounted on PTS holders can be introduced into the system via load locks or vacuum suitcases. The main load lock is Ar-purged and connected to a MBraun Ar glove box, allowing (un)packing and (dis)mounting of samples and UHV introduction/removal entirely without exposure to ambient conditions. All other load locks are accessible from the lab floor and are N2 purged. In addition to load locks, vacuum suitcases or external UHV synthesis/characterization chambers can be connected to the system using the open port (Figure 2). The open port contains a receiving stage for PTS holders and is accessed externally via a CF200 gate valve. A bypass pumping port on this gate valve allows the volume between the valve face and an attached external chamber to be pumped down after attachment, meaning both chambers can be maintained at UHV throughout the attachment and transfer. The transfer into the open port must be actuated from the external chamber by, e.g., a magnetic transfer arm. PTS sample holders can be directly transferred into the open port receiving station; other sample holders (e.g., flag-style plates) can be accommodated using purpose-built adapters which attach the external holder to a PTS base placed in the open port receiving station. Once a sample holder is placed in the open port, sample transfer through the UHV backbone can proceed automatically.

enlarged view

Figure 2: side view of open port for attachment of external UHV chambers.

The system was designed such that samples up to 6’ round or 10cm×10cm square could be transferred throughout the system, including into the SISSY I endstation and ANA off-synchrotron spectroscopy chambers. The range of movement of the manipulators in SISSY I and ANA chambers is sufficient to allow measurements of all regions of such samples to be performed via combined linear translation and rotation about the azimuth. This makes the system uniquely suitable for non-destructive advanced characterization of combinatorial material libraries, which can be preserved for further external characterization. As a corollary, it is possible to use the large (i.e., up to 6’ round or 10cm×10cm) holders to mount many individual, smaller samples; the number is constrained only by the size of the samples in question and the sampling area of the measurement technique. In this way, throughput can be improved by minimizing the number of required sample transfers as well as through automation of movement and measurements (an ongoing project).

Sample Preparation systems

EMIL laboratory offers an extensive list of UHV sample preparation systems all interconnected by the UHV backbone shown in Figure 1. These systems will be detailed below.